
MIL-DTL-5904E
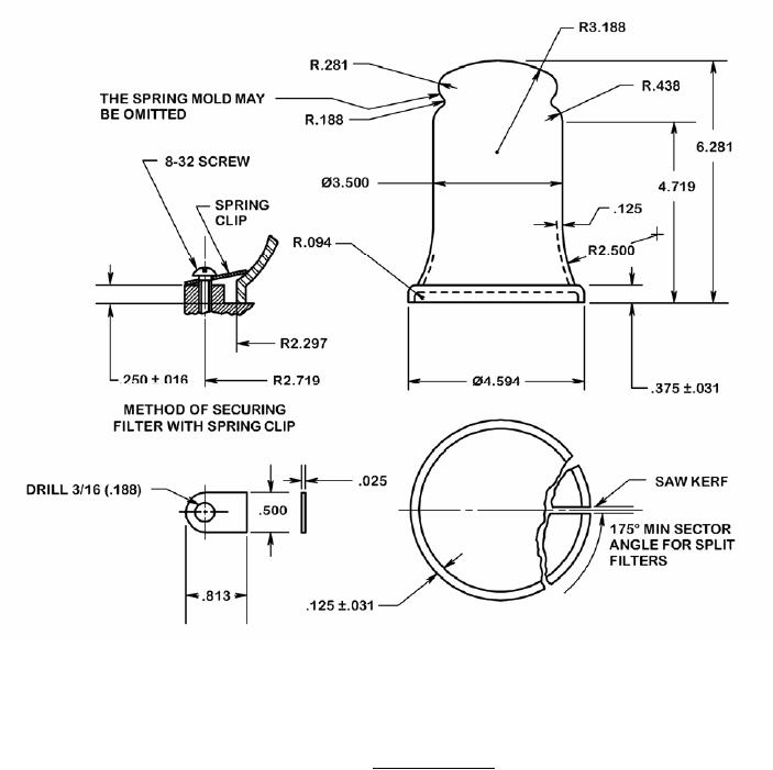
NOTES:
1. All dimensions are in inches.
2. Unless otherwise specified, tolerances are ±.063.
FIGURE 3. Filter assembly.
17
For Parts Inquires call Parts Hangar, Inc (727) 493-0744
© Copyright 2015 Integrated Publishing, Inc.
A Service Disabled Veteran Owned Small Business