
MIL-DTL-5904E
NOTES:
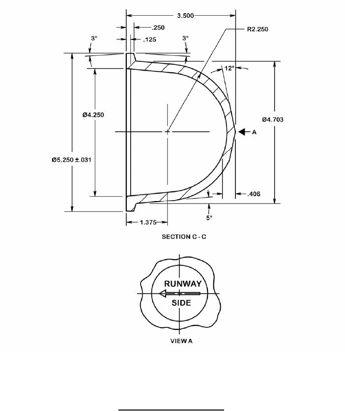
1. All dimensions are in inches.
2. Unless otherwise specified, tolerances are ±.063.
FIGURE 2. Lens for class II and III lights - Continued.
16
For Parts Inquires call Parts Hangar, Inc (727) 493-0744
© Copyright 2015 Integrated Publishing, Inc.
A Service Disabled Veteran Owned Small Business