
INCH-POUND
MIL-DTL-3661/42B
09 October 2008
SUPERSEDING
MIL-L-3661/42A
14 July 1969
MILITARY SPECIFICATION SHEET
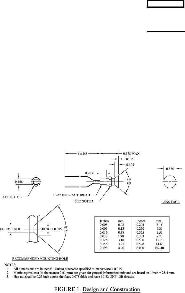
LAMPHOLDERS, INDICATOR LIGHTS, INDICATOR-LIGHT HOUSINGS
AND INDICATOR-LIGHT LENSES
INDICATOR-LIGHT (NON-REMOVABLE), STYLE LHC84
(ELECTROMAGNETIC INTERFERENCE AND NON-ELECTROMAGNETIC TYPES)
This specification is approved for use by all Departments and Agencies of the
Department of Defense.
The requirements for acquiring the product described herein shall consist of this specification
sheet and MIL-DTL-3661.
AMSC N/A
FSC 6210