
INCH-POUND
MIL-DTL-3661/40B
09 October 2008
SUPERSEDING
MIL-L-3661/40A
14 July 1969
MILITARY SPECIFICATION SHEET
LAMPHOLDERS, INDICATOR LIGHTS, INDICATOR-LIGHT HOUSINGS AND
INDICATOR-LIGHT LENSES
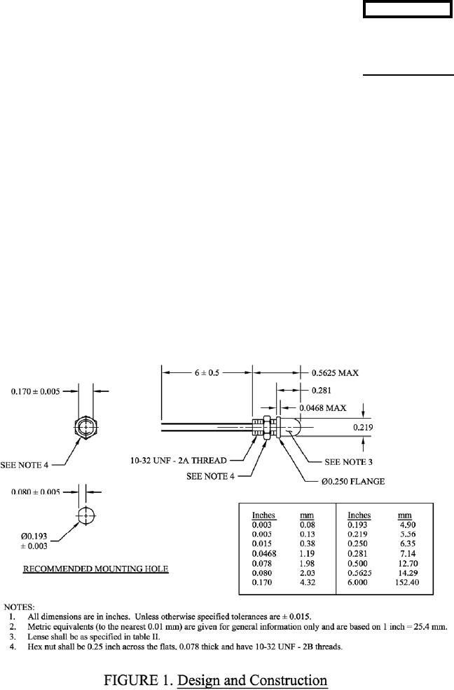
INDICATOR-LIGHT (NON-REMOVABLE), STYLE LHC82
(ELECTROMAGNETIC INTERFERENCE AND NON-ELECTROMAGNETIC TYPES)
This specification is approved for use by all Departments and Agencies of the
Department of Defense.
The requirements for acquiring the product described herein shall consist of this specification
sheet and MIL-DTL-3661.
AMSC N/A
FSC 6210