
MIL-DTL-16377/57C(SH)
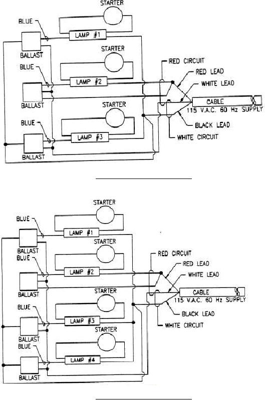
FIGURE 7. Wiring diagram for symbol 348.
FIGURE 8. Wiring diagram for symbol 349.
6
For Parts Inquires call Parts Hangar, Inc (727) 493-0744
© Copyright 2015 Integrated Publishing, Inc.
A Service Disabled Veteran Owned Small Business